ΤΡΟΠΟΙ ΣΥΝΔΕΣΗΣ
Σύνδεση σε σειρά:
Όταν θέλουμε να συνδέσουμε οποιεσδήποτε συσκευές σε σειρά πρέπει να συνδέσουμε τον αρνητικό πόλο της μίας με τον θετικό της επόμενης. (σχήμα 1)
σχήμα 1
Σε αυτή την περίπτωση πρέπει να γνωρίζουμε ότι η συνολική τάση του κυκλώματος είναι το άθροισμα των επιμέρους τάσεων της κάθε συσκευής. Για παράδειγμα στο σχήμα 1 εάν κάθε συσκευή παράγει 12 V, η συνολική παρεχόμενη τάση είναι 12+12+12+12=48 V.
Επίσης πρέπει να θυμόμαστε ότι το συνολικό ρεύμα παραμένει ίδιο. Δηλαδή εάν κάθε συσκευή έχει ονομαστική τιμή ρεύματος 350 A τότε το συνολικό ρεύμα που ρέει στο κύκλωμα είναι 350 A.
Παράλληλη σύνδεση:
Για να συνδέσουμε συσκευές παράλληλη πρέπει να συνδέσουμε τους θετικούς πόλους μαζί σε έναν ακροδέκτη και τους αρνητικούς σε έναν άλλο. (σχήμα 2)
σχήμα 2
Στη σειριακή σύνδεση, σε αντίθεση με την παράλληλη, οι ονομαστικές τιμές ρεύματος προστίθενται ενώ η ονομαστική τάση του ενός είναι η συνολική τάση του κυκλώματος. Για παράδειγμα στο σχήμα 2, εάν η κάθε συσκευή έχει ονομαστική τιμή τάσης 12 V και ονομαστική τιμή ρεύματος 350 Α τότε το συνολικό ρεύμα του κυκλώματος είναι 350+350=700 Α ενώ η συνολική τάση στα άκρα του είναι 12 V. Μεικτή σύνδεση
Αξίζει να σημειωθεί ότι είναι δυνατόν σε ένα κύκλωμα να έχουμε συνδυασμό των δύο παραπάνω τρόπων σύνδεσης ανάλογα με το τι θέλουμε να πετύχουμε. (σχήμα 3)
Στο σχήμα 3 δύο ξεχωριστά ζεύγη κυττάρων των 6 Volt συνδέθηκαν σε σειρά και στη συνέχεια παράλληλα με αποτέλεσμα στην έξοδο να έχουμε 12 Vκαι 700 A.
ΚΥΚΛΩΜΑΤΙΚΟ ΣΥΜΒΟΛΟ
Στο σχήμα 4 φαίνεται το κυκλωματικό σύμβολο του φωτοβολταϊκού κυττάρου όπως χρησιμοποιείται στις σχηματικές αναπαραστάσεις κυκλωματικών διαγραμμάτων.
ΚΥΚΛΩΜΑΤΙΚΟ ΜΟΝΤΕΛΟ
Σχήμα 5
Στο σχήμα 5 φαίνεται το κυκλωματικό μοντέλο του ηλιακού κυττάρου. Αποτελείται από μία ιδανική πηγή ρεύματος σε σειρά με μία δίοδο. Επειδή όμως στην πραγματικότητα κανένα ηλιακό κύτταρο δεν είναι ιδανικό προσθέτουμε στο μοντέλο και δύο αντιστάσεις, μία παράλληλα και μία σε σειρά.
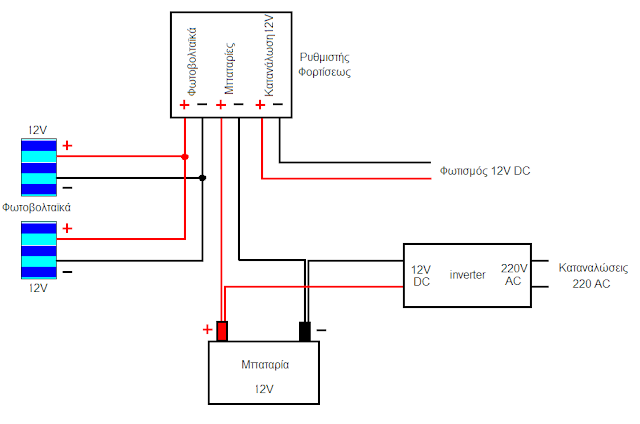
Συνδεσμολογία ενος φωτοβολταϊκού συστήματος
Όπως φαίνεται και από το σχήμα χρειαζόμαστε τα φωτοβολταϊκά,
ένα ρυθμιστή φορτίσεως, μπαταρίες, ένα inverter εάν θέλουμε να έχουμε 220V
Εναλλασσομένου ρεύματος σαν αυτό που μας δίνει η ΔΕΗ. Ο ρυθμιστής φορτίσεως
είναι τόσον Amper ώστε να μην υπερβαίνουν τα Αmax των φωτοβολταϊκών. Για
παράδειγμα για 5 φωτοβολταϊκά των 2Α χρειαζόμαστε ένα ρυθμιστή φορτίσεως 10Α.
Ακόμα μπορούμε να πάρουμε ένα μεγαλύτερο ρυθμιστή για μελλοντική επέκταση των
φωτοβολταϊκών. Η μπαταρία πρέπει να είναι ανάλογη με την παραγωγή ηλεκτρικής
ενέργειας από τα φωτοβολταϊκά και πάντα λίγο μεγαλύτερη. Δηλαδή υπολογίζουμε
την ημερήσια max παραγωγή και παίρνουμε μια μπαταρία λίγο μεγαλύτερη από
αυτήν. Το inverter εξαρτάτε πάντα από το μέγεθος τις εγκατάστασης και το πόσο μεγάλη
μπαταρία έχουμε.
Εφαρμογή του ρυθμιστή φόρτισης μπαταριών σ'ένα φωτοβολταϊκό σύστημα:
Χαρακτηριστικά:
- Φόρτιση συσωρευτών σε τρία στάδια (φόρτιση - εξίσωση - συντήρηση).
- Eνδείξεις LCD.
- Ακουστική προειδοποίηση γιά διακοπή φορτίου κλπ..
- 12V/24V/10A.
- Προγραμματισμός νυχτερινής ημερήσιας νυχτερινής λειτουργίας.









